| GEMSS |

The model is an electronic analogue of the human systemic arterial tree, described in the following paper:
Westerhof N, Bosman F, De Vries CJ, Noordergraaf A. 1969 Analog studies of the human systemic arterial tree. Journal of biomechanics 2 121-143
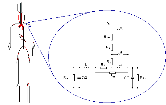
It comprises 121 arterial segments, with each segment consisting of a number of linear passive electrical components. Originally, the model was implemented using real electronic components, but we have implemented this model digitally on a personal computer, with a user-friendly graphical interface. In this way, the effect of changes in the model properties can be simulated very rapidly.
The design, construction and evaluation of a linear passive model of the human systemic arterial tree are presented. The performance of this electrical model is compared extensively to its real counterpart in the following areas: magnitude and phase of input impedances, wave travel (amplitude and phase of pressure harmonics) along the aorta, and wave shapes of pressures and flows at different locations. These comparisons demonstrate that the model behaves very much like the real system.
A series of refinements in the modeling of a short segment of artery is discussed; although these refinements help to obtain better agreement with reality, none has a major effect on the behavior of the model as measured close to the heart.
Reflections play a major role in determining the behavior of the system and occur at all branch points. The largest reflection coefficients are found at the periphery. These reflection coefficients result mainly from the architecture of the arterial tree. It is shown how the nature of the input impedance and wave travel pattern can be explained in terms of these reflections.
The input impedance and wave travel in large vessels, for frequencies larger than 2 cps, are largely determined by the characteristics of these vessels themselves and not by the load. This is mainly due to the architecture of the system.
Alterations in peripheral resistance affect the input impedance of the system only for very low frequencies; the same holds for wave travel in the aorta: the high frequencies are virtually independent of the peripheral resistance.
Some clinical states are simulated and discussed.